welcome to the power supply and device library! Global Spot, Quality Assurance, Flash Shipping
Quick response power supply, device, and material supply platform
Welcome to the power supply and device library! Global Supply and Quality Assurance
Home
Category
Brand
Product
About Us
History
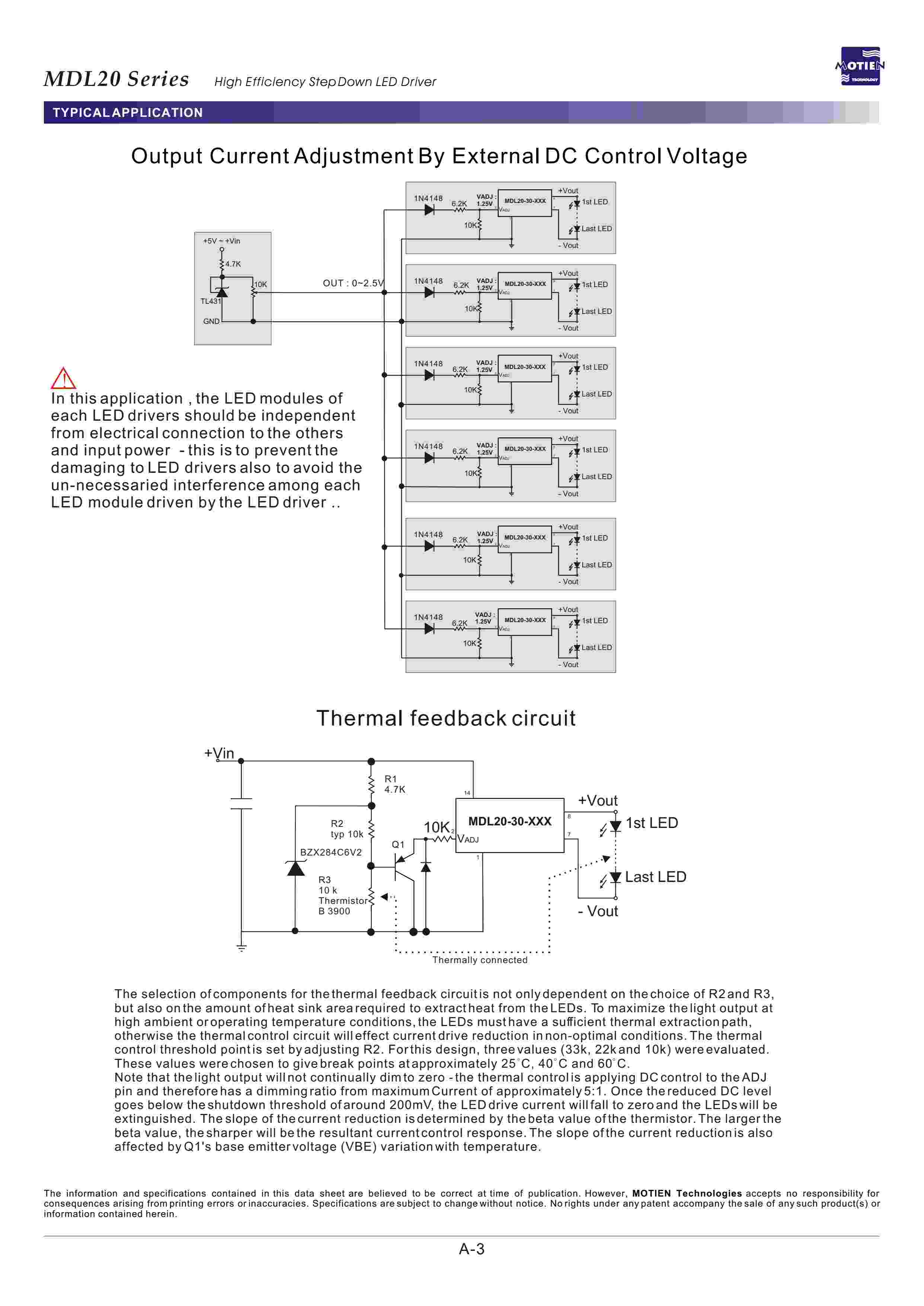
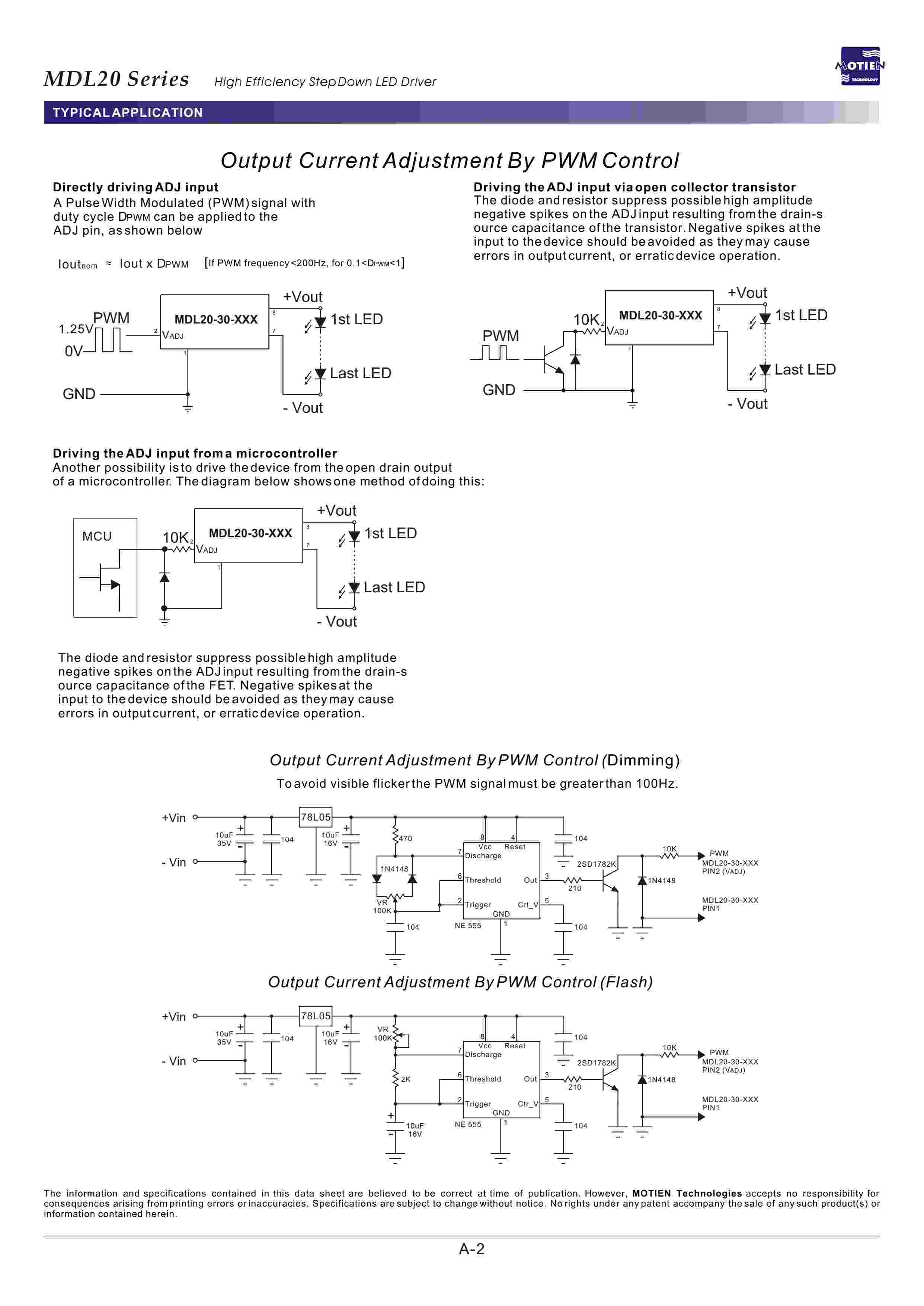
MDL20-30-500
brand:
MOTIEN
series:
MDL20
For consultation and purchase, please contact customer service
Inquire Now
Related
MDL20-30-500
MDL20-30-600
MDL20-30-700
display all
DataSheet