
                            RPP30-2412D | 
                    |||
| brand: | RECOM | ||
| series: | RPP30-S_D | ||
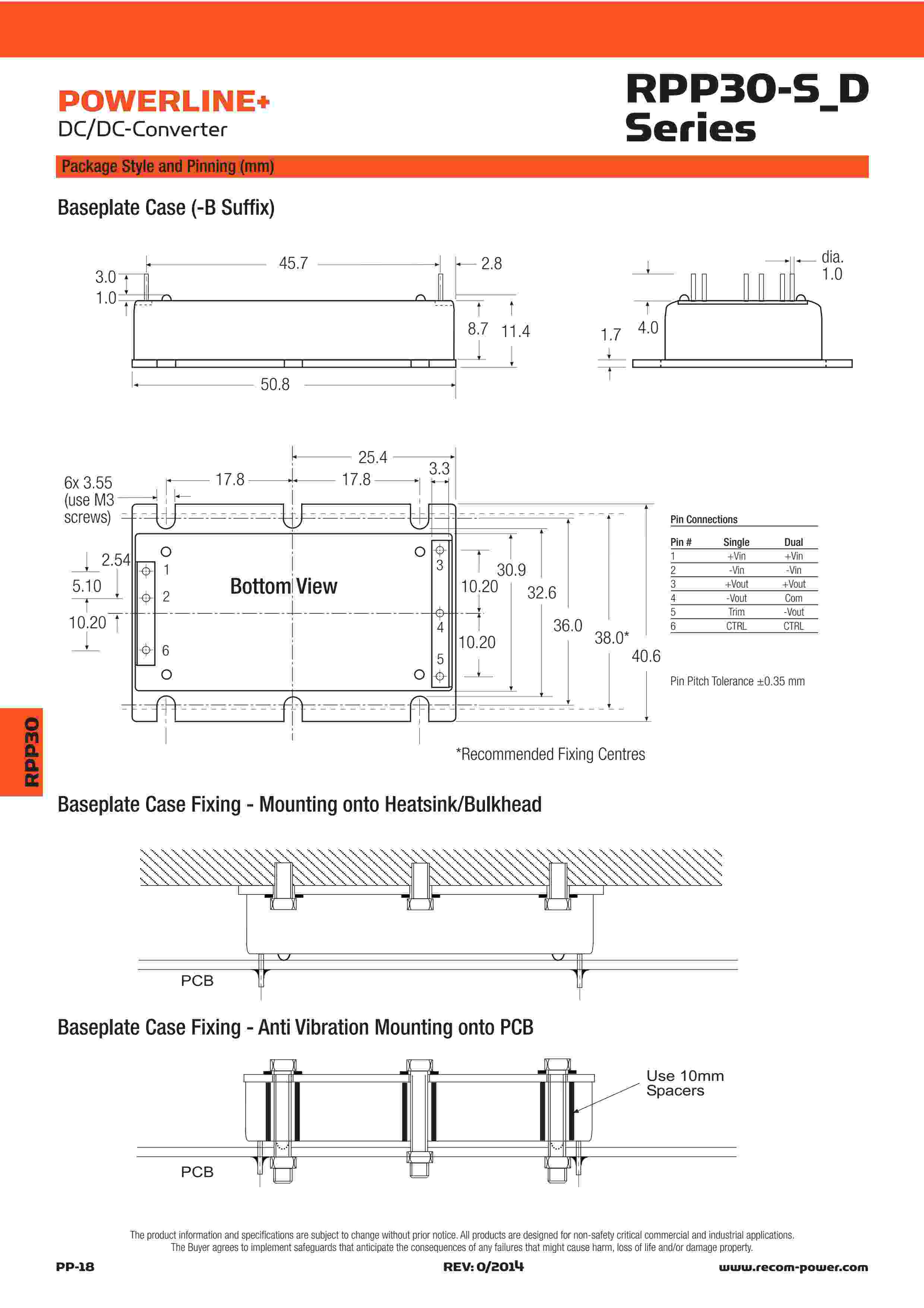
| describe: | ● 115°C Maximum Case Temperature● -40°C MinimumTemp. ● Built-in FCC/EN55022 Class B Filter● 2:1 Wide Input Voltage Range● Six Sided Shielded Enclosure● Ribbed or Baseplate Case Styles● Min. Efficiency 87%● 3kVDC Isolation● Low Quiescent Current | ||