
| overview | |||
| model |
D240512XD
|
manufacturer | MICRODC |
| series | D-XD | Category | DC/DC |
| Function Description |
|
||
| detailed parameters | |||
| model | D240512XD | Stable voltage output | UNREGULATED |
| output power | 1W | Short circuit protection | 1second(-suffix"P" continous) |
| input voltage | 24VDC | temperature range | -40-85°C |
| Output voltage | 0512VDC | efficiency | |
| package | DIP14 | Is it imported | N |
| Package Size | 20*10*7mmmm | authentication | CE,ROHS |
| maximum output current | 100|41.7mA | Grade | High quality |
| Isolation Voltage | 1000VDC VDC | Housing material | plastics |
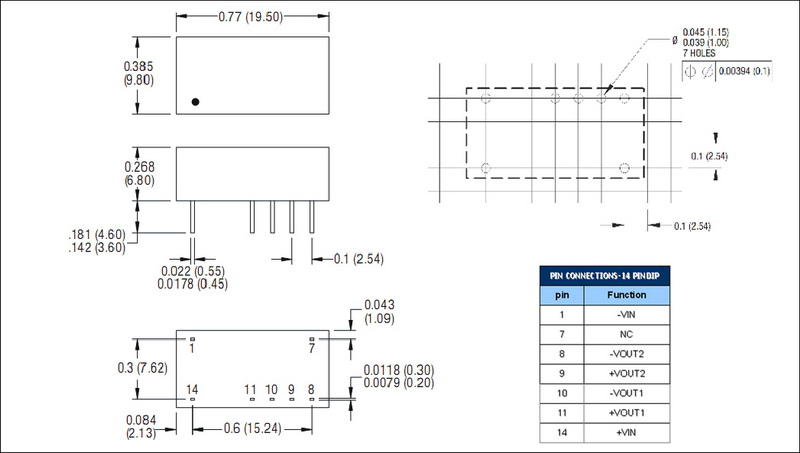
| Pin arrangement diagram | view | ||