
| overview | |||
| model | B1205XD | manufacturer | MICRODC |
| series | B-XD | Category | DC/DC |
| Function Description |
|
||
| detailed parameters | |||
| model | B1205XD | Stable voltage output | UNREGULATED |
| output power | 1W | Short circuit protection | 1second(-suffix"P" continous) |
| input voltage | 12VDC | temperature range | -40-85°C |
| Output voltage | 05VDC | efficiency | |
| package | DIP8 | Is it imported | N |
| Package Size | 11*9.8*6.8mmmm | authentication | CE,ROHS |
| maximum output current | 200mA | Grade | High quality |
| Isolation Voltage | 1000VDC VDC | Housing material | plastics |
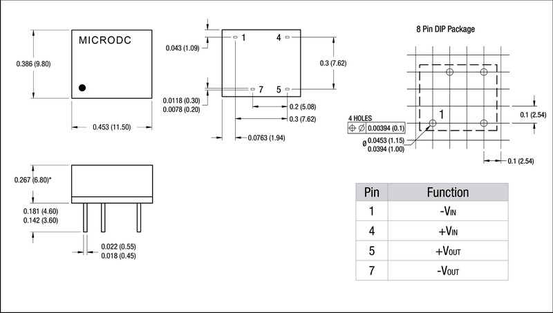
| Pin arrangement diagram | view | ||