
| overview | |||
| model |
A0309XT
|
manufacturer | MICRODC |
| series | A-XT | Category | DC/DC |
| Function Description |
|
||
| detailed parameters | |||
| model | A0309XT | Stable voltage output | UNREGULATED |
| output power | 1W | Short circuit protection | 1second(-suffix"P" continous) |
| input voltage | 3.3VDC | temperature range | -40-85°C |
| Output voltage | ±09VDC | efficiency | |
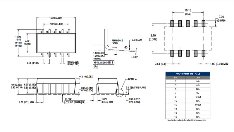
| package | SMD10 | Is it imported | N |
| Package Size | 16.3*11*8mmmm | authentication | CE,ROHS |
| maximum output current | 55.6mA | Grade | High quality |
| Isolation Voltage | 1000VDC VDC | Housing material | plastics |
| Pin arrangement diagram | view | ||