welcome to the power supply and device library! Global Spot, Quality Assurance, Flash Shipping
Quick response power supply, device, and material supply platform
Welcome to the power supply and device library! Global Supply and Quality Assurance
Home
Category
Brand
Product
About Us
History
PLED-S-700LF
brand:
PEAK
series:
PLED-S-500/700LF
describe:
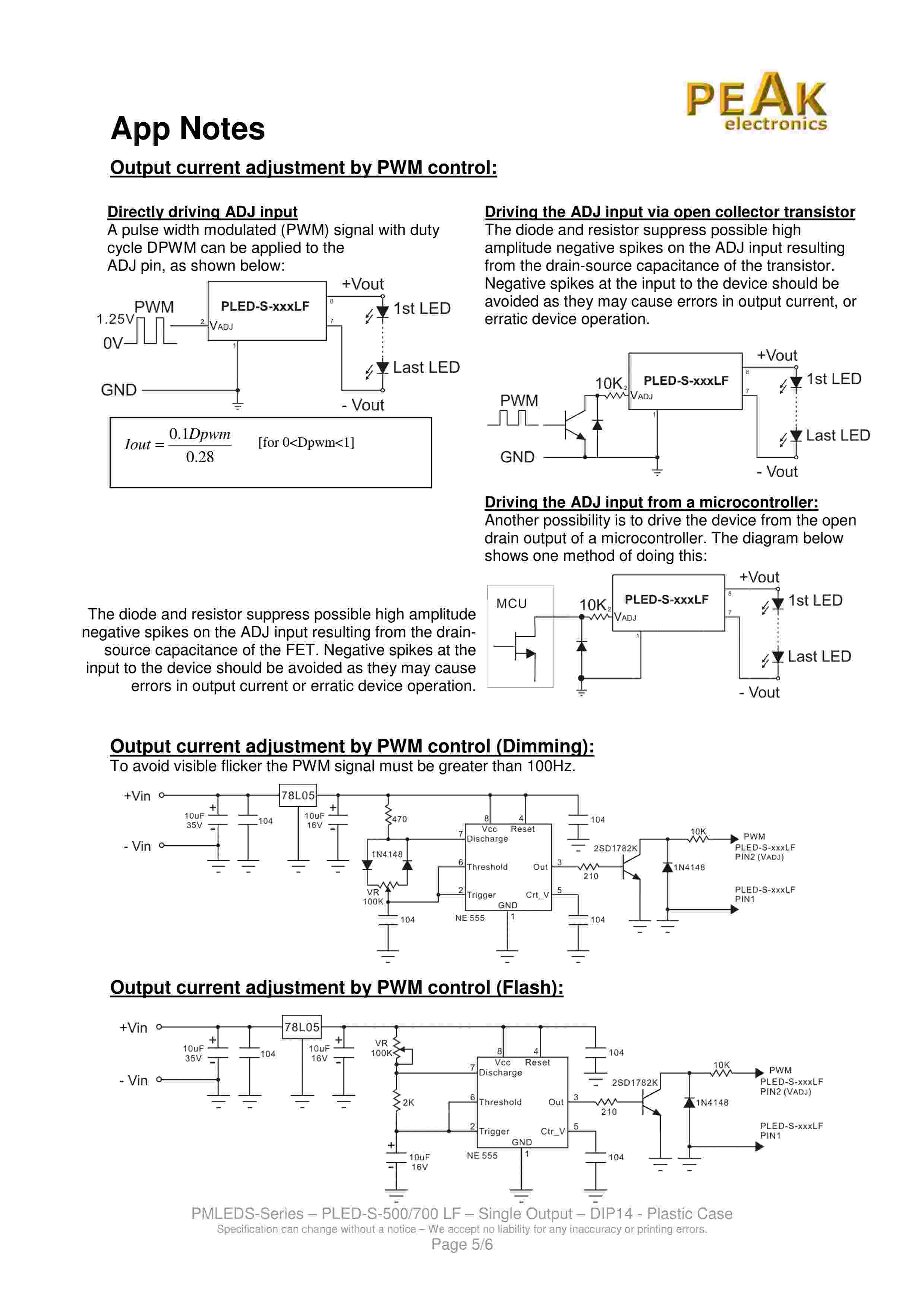
PMLEDS-SERIES DIP14 Package Step-Down Converter Constant Current High Efficiency Dimming Function Remote On/Off Control
For consultation and purchase, please contact customer service
Inquire Now
Related
PLED-S-700LF
PLED-S-500LF
display all
DataSheet