welcome to the power supply and device library! Global Spot, Quality Assurance, Flash Shipping
Quick response power supply, device, and material supply platform
Welcome to the power supply and device library! Global Supply and Quality Assurance
Home
Category
Brand
Product
About Us
History
AP05N05-Zero
series:
ipgcglmxw1gsd6k125l8
describe:
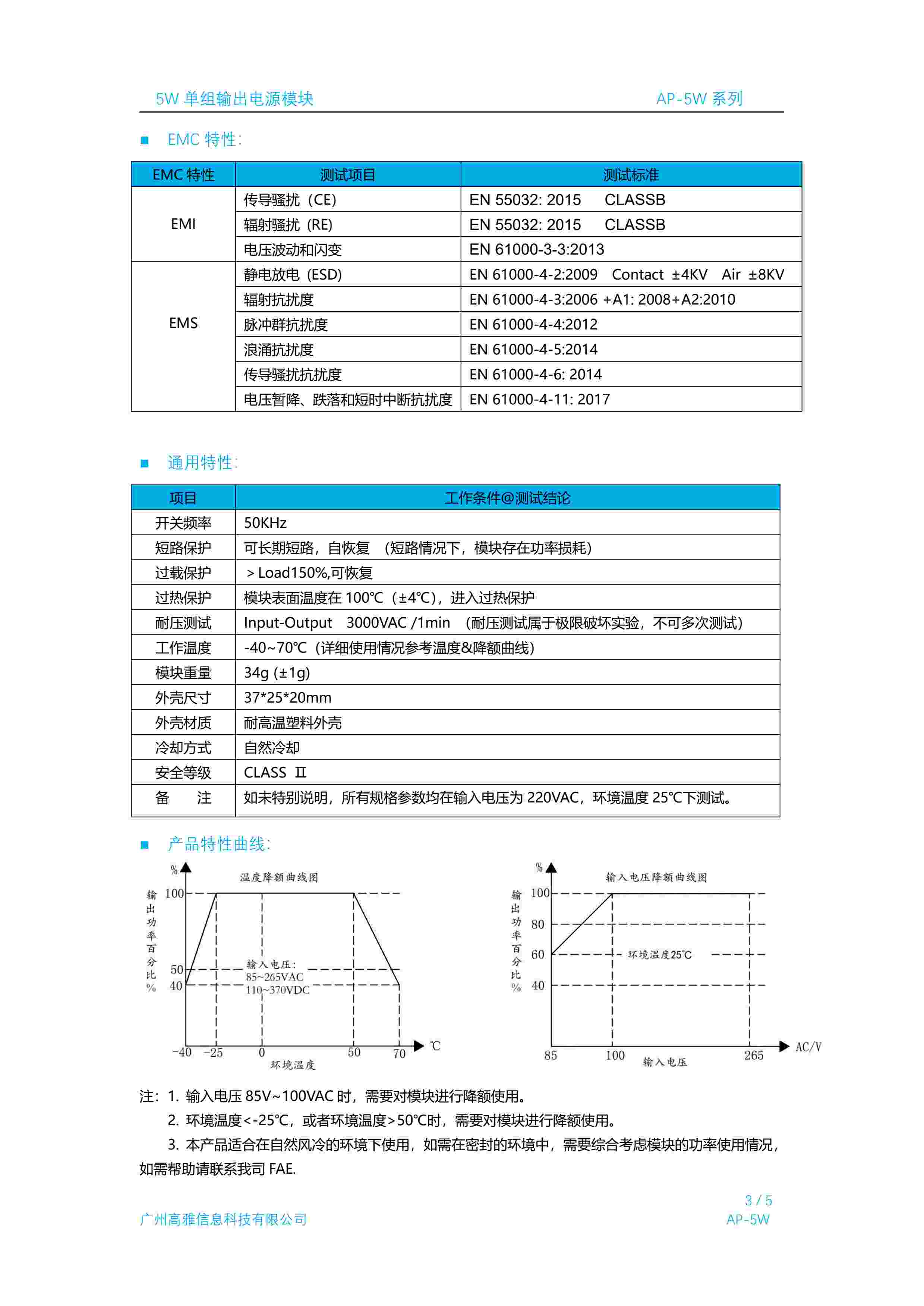
5W 单组输出电源模块
For consultation and purchase, please contact customer service
18902851717
18902851717
1034888950
1034888950@qq.com
Inquire Now
停产品
,更多需要请联络客服(替代品推荐)
Related
AP05N05-Zero
AP06N05-Zero
AP09N05-Zero
AP12N05-Zero
AP15N05-Zero
AP20N05-Zero
AP24N05-Zero
display all
DataSheet