welcome to the power supply and device library! Global Spot, Quality Assurance, Flash Shipping
Quick response power supply, device, and material supply platform
Welcome to the power supply and device library! Global Supply and Quality Assurance
Home
Category
Brand
Product
About Us
History
AP05N07-Zero
series:
k9dsydozrszllmny6rwo
describe:
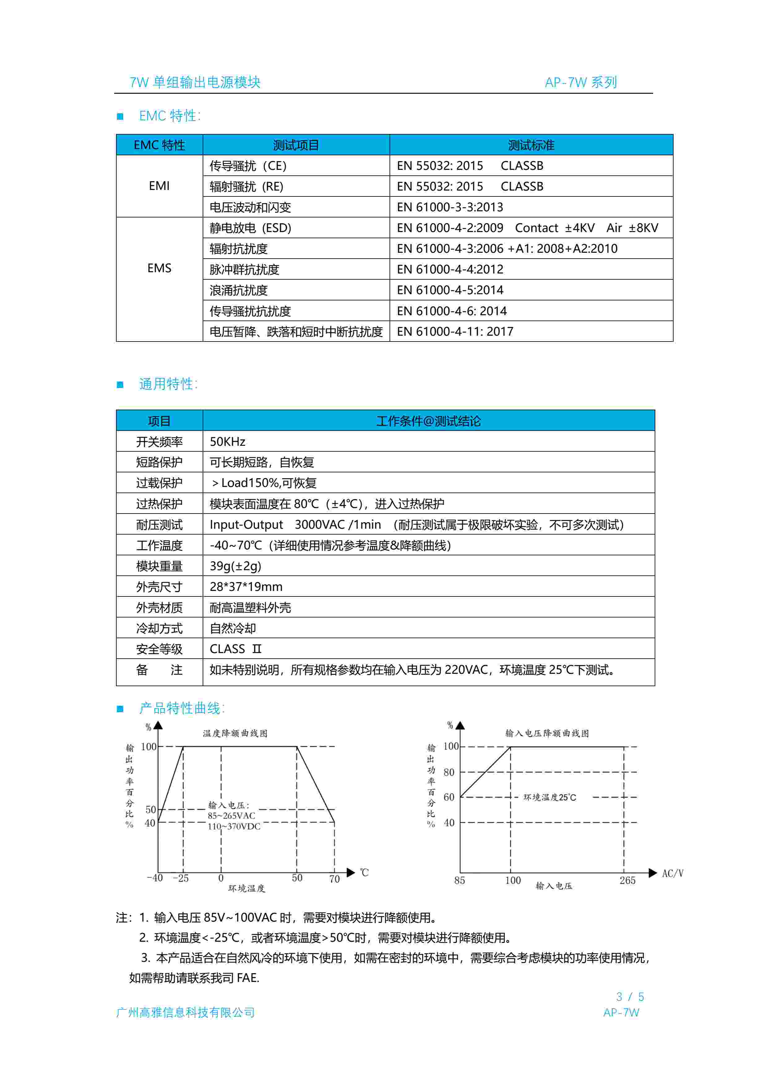
7W 单组输出电源模块 全球通用范围交流/直流输入 ● 高效率、高功率密度 ● 稳压输出、低纹波噪声 ● 体积小: 28*37*19mm ● 保护种类:过载保护/短路保护/过热保护 ● 待机低功耗,绿色环保 ● 无需外围电路设计 、PCB 焊接方式 ● 塑料外壳自然冷却 ● 三年质保
For consultation and purchase, please contact customer service
18902851717
18902851717
1034888950
1034888950@qq.com
Inquire Now
停产品
,更多需要请联络客服(替代品推荐)
Related
AP05N07-Zero
AP06N07-Zero
AP09N07-Zero
AP12N07-Zero
AP15N07-Zero
AP20N07-Zero
AP24N07-Zero
display all
DataSheet