welcome to the power supply and device library! Global Spot, Quality Assurance, Flash Shipping
Quick response power supply, device, and material supply platform
Welcome to the power supply and device library! Global Supply and Quality Assurance
Home
Category
Brand
Product
About Us
History
GAP20-21B15
series:
ks3s7etd4ktiny2jvze0
describe:
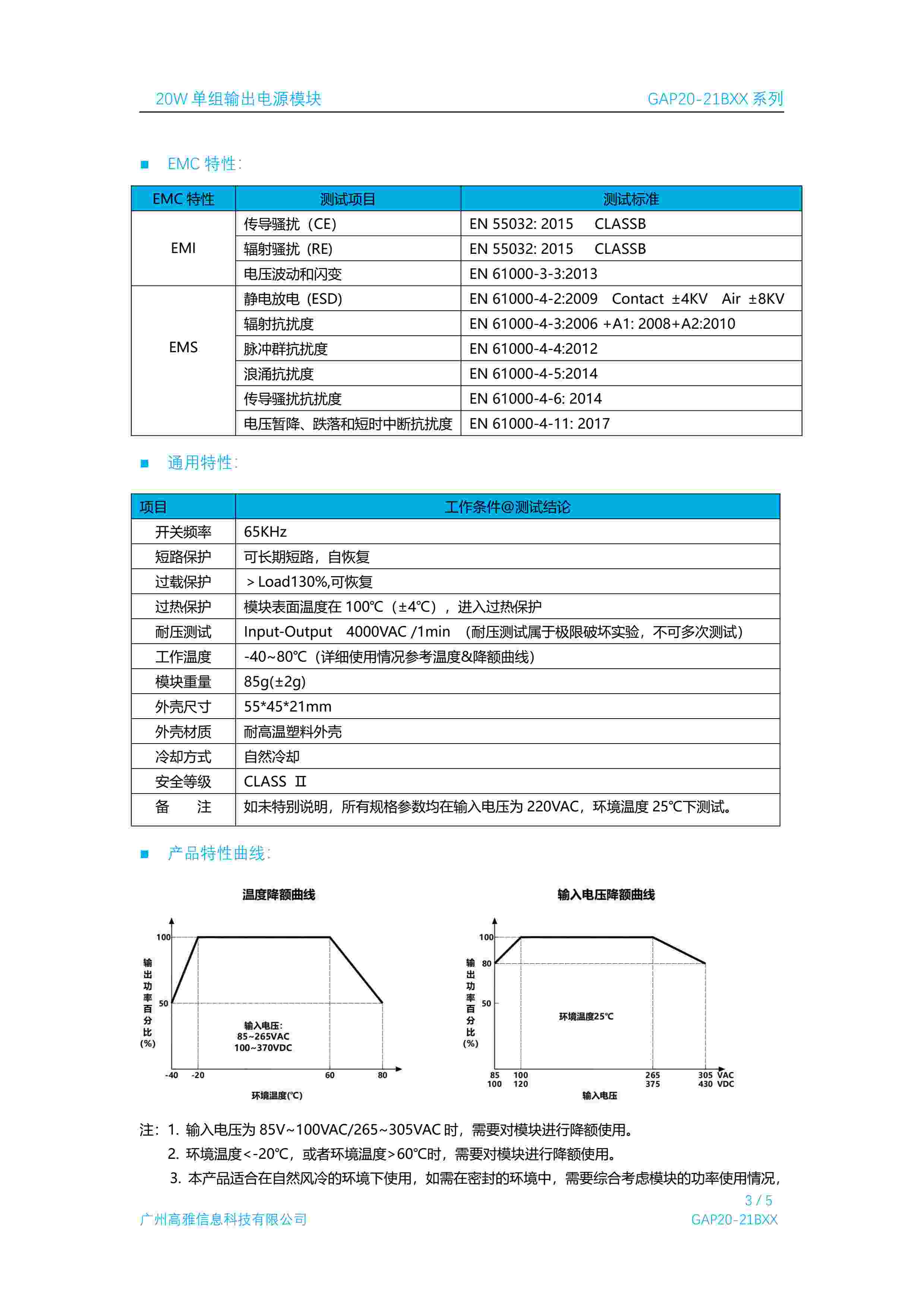
20W 单组输出电源模块
For consultation and purchase, please contact customer service
18902851717
18902851717
1034888950
1034888950@qq.com
Inquire Now
停产品
,更多需要请联络客服(替代品推荐)
Related
GAP15-21B05
GAP15-21B06
GAP20-21B09
GAP20-21B12
GAP20-21B15
GAP20-21B20
GAP20-21B24
display all
DataSheet